您当前的位置:首页 > 产品中心 > 金牌对边机伺服纠偏器
详细介绍:
东莞天机传动(台湾天机牌)生产厂家销售的PO5金牌对边机又称气油压金牌对边机,采用的进口原材料,台湾生产加工技术,产品通过ISO9001质量体系认证和CE认证,质量放心可靠。咨询热线:180-2828-7736。
PO5金牌对边机(气油压金牌对边机)特点如下:造型美观、机械强度好、连接附件齐备;具有安装方便、传动可靠、运行平稳、磨损小寿命长;凭借着它极小的回退力驱动器反冲小,免维护;具有最灵敏的响应性能稳定性好、保护完备、效率高、热耗低,延缓了器件老化;安装极为方便、快捷,免去了复杂的调试和准备工作。

安装PO5金牌对边机(气油压金牌对边机)的优点:
(1)因速度、拉力、材料厚薄不均或机械损害造成材料移位现象,可经由本系统修正回到原来的位置。
(2)原先所需预留的材料修边量可降至最低的程度,节省加工材料需要预加的宽度,降低购料成本。
(3)机械速度可大幅的提升,增加产量,并免除人员看顾材料及调整材料偏位时所花的时间及金钱,为您降低生产成本。
(4)使您的成品材料边缘平整,中间加工品质提高,增加成品材料的附加价值,博得下游客户的讚许
PO5金牌对边机(气油压金牌对边机)适用行业:薄膜机械,纸张机械,复合机械,贴合机械,包装机械,印刷机械,标机械签,造纸机械,塑料机械,成衣机械,线缆机械,金属加工机械,无纺机械,波纹板加工机械等。
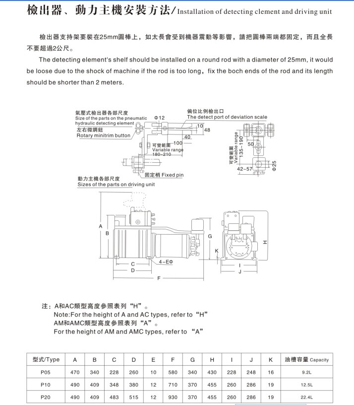
以下是PO5金牌对边机(气油压金牌对边机)外形尺寸结构图

















